|
|
CqREEKのページへ戻る |
| 製品名 | CQ RISC 評価キット CqREEK/SH1 |
|---|---|
| 内容 | CPUボード モニタROM RS-232Cコネクタ実装済み 電源とケーブルは付属しない |
| CD-ROM Cコンパイラ exeGCC-CQ(SH)注 デバッガ PARTNER-CQ/Win注 デバイス・データ | |
| マニュアル | |
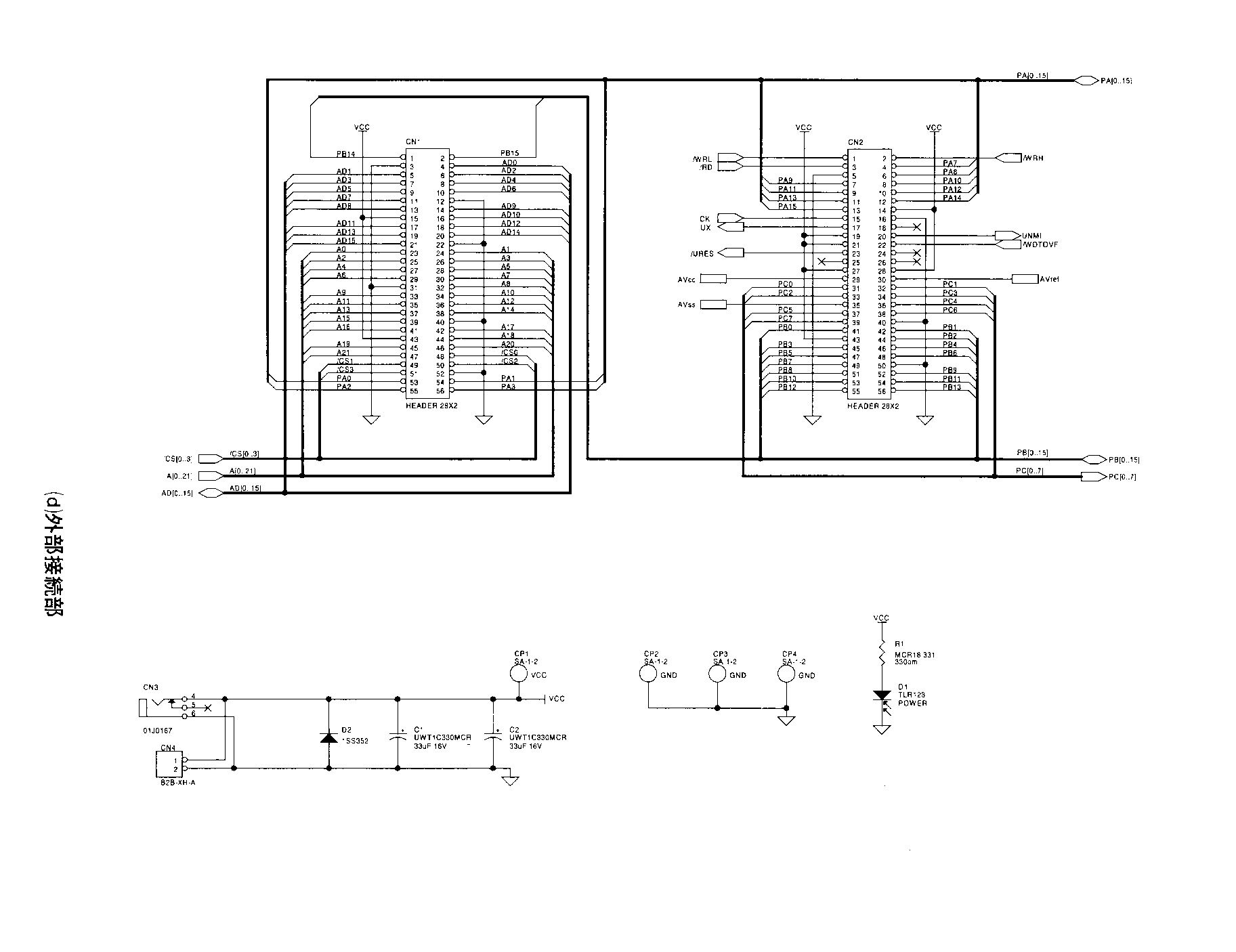
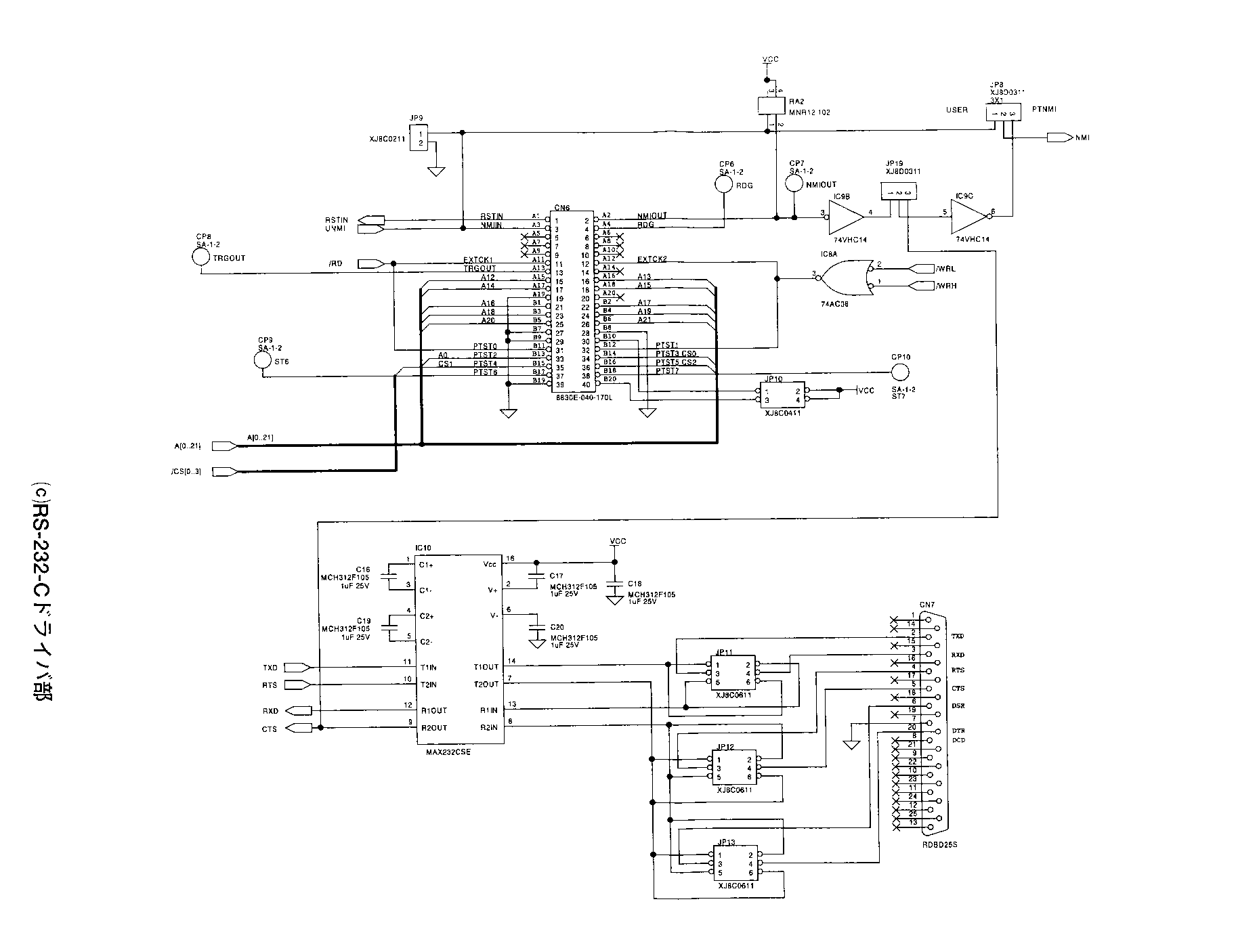
| 回路図 | |
| 価格 | 65,000円(税込価格 68,250円) |
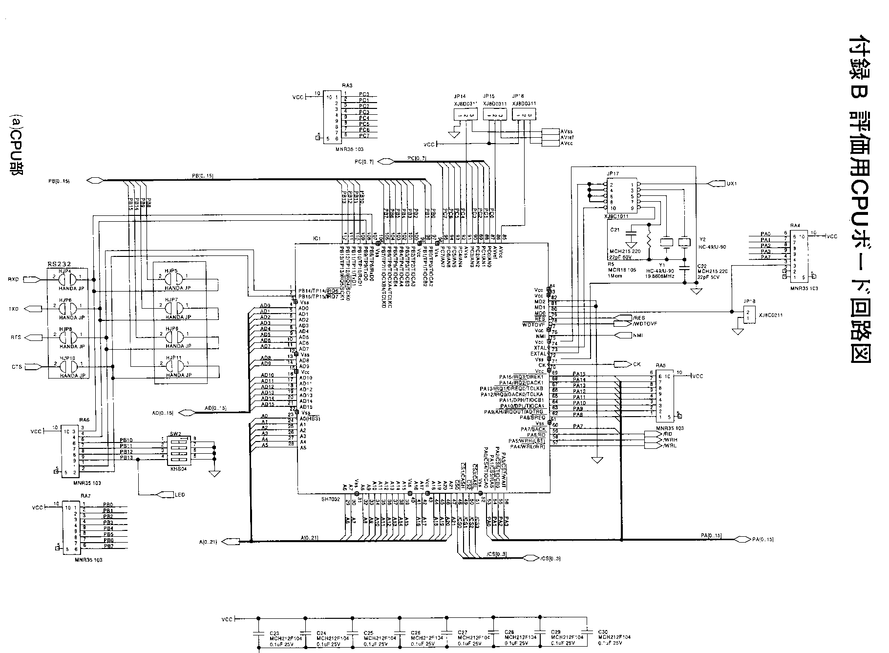
| CPU | HD6417032(112ピン QFP) | |
|---|---|---|
| バス幅 | 16ビット固定(ROM は 8 ビット) | |
| 内容 | ROM | 37256x1 0H〜FFFFH (64Kバイト) |
| RAM | M5M51008AFP-70LL(相当品)x2(256Kバイト) A00 0000H〜A03 FFFFH (64Kバイト) | |
| クロック | 19.6608MHz | |
| 基盤サイズ | 147.32 x 106.68mm | |
| 電源 | +5V 外部電源を CN4 より供給(消費電力 約 250mA) | |


| 1 | HJP9(USER-PB14) | 2 | HJP11(USER-PB14) | |||
| 3 | GND | 4 | AD0 | |||
| 5 | AD1 | 6 | AD2 | |||
| 7 | AD3 | 8 | AD4 | |||
| 9 | AD5 | 10 | AD6 | |||
| 11 | AD7 | 12 | GND | |||
| 13 | AD8 | 14 | AD9 | |||
| 15 | Vcc | 16 | AD10 | |||
| 17 | AD11 | 18 | AD12 | |||
| 19 | AD13 | 20 | AD14 | |||
| 21 | AD15 | 22 | GND | |||
| 23 | A0 | 24 | A1 | |||
| 25 | A2 | 26 | A3 | |||
| 27 | A4 | 28 | A5 | |||
| 29 | A6 | 30 | A7 | |||
| 31 | GND | 32 | A8 | |||
| 33 | A9 | 34 | A10 | |||
| 35 | A11 | 36 | A12 | |||
| 37 | A13 | 38 | A14 | |||
| 39 | A15 | 40 | GND | |||
| 41 | A16 | 42 | A17 | |||
| 43 | Vcc | 44 | A18 | |||
| 45 | A19 | 46 | A20 | |||
| 47 | A21 | 48 | /CS0 | |||
| 49 | /CS1 | 50 | /CS2 | |||
| 51 | /CS3 | 52 | GND | |||
| 53 | PA0 | 54 | PA1 | |||
| 55 | PA2 | 56 | PA3 | |||
| 57 | /WRL | 58 | /WRH | |||
| 59 | /RD | 60 | PA7 | |||
| 61 | GND | 62 | PA8 | |||
| 63 | PA9 | 64 | PA10 | |||
| 65 | PA11 | 66 | PA12 | |||
| 67 | PA13 | 68 | PA14 | |||
| 69 | PA15 | 70 | Vcc | |||
| 71 | CK | 72 | GND | |||
| 73 | JP17-1(USER-CLK) | 74 | N.C. | |||
| 75 | Vcc | 76 | JP8-1(USER-NMI) | |||
| 77 | Vcc | 78 | WDTOVF | |||
| 79 | IC8-9(USER-RES) | 80 | N.C. | |||
| 81 | N.C. | 82 | N.C. | |||
| 83 | Vcc | 84 | Vcc | |||
| 85 | JP16-1(USER-A Vcc) | 86 | JP15-1(USER-Avref) | |||
| 87 | PC0 | 88 | PC1 | |||
| 89 | PC2 | 90 | PC3 | |||
| 91 | JP14(USER-A Vss) | 92 | PC4 | |||
| 93 | PC5 | 94 | PC6 | |||
| 95 | PC7 | 96 | GND | |||
| 97 | PB0 | 98 | PB1 | |||
| 99 | Vcc | 100 | PB2 | |||
| 101 | PB3 | 102 | PB4 | |||
| 103 | PB5 | 104 | PB6 | |||
| 105 | PB7 | 106 | GND | |||
| 107 | HJP5 | 108 | HJP7(USER-PB9) | |||
| 109 | PB10 | 110 | PB11 | |||
| 111 | PB12 | 112 | PB13 | |||