|
|
CqREEKのページへ戻る |
| 製品名 | CQ RISC 評価キット CqREEK/V821 |
|---|---|
| 内容 | CPUボード モニタROM RS-232Cコネクタ実装済み 電源とケーブルは付属しない |
| CD-ROM Cコンパイラ exeGCC-CQ(SH)注 デバッガ PARTNER-CQ/Win注 デバイス・データ | |
| マニュアル | |
| 回路図 | |
| 価格 | 65,000円(税込価格 68,250円) |
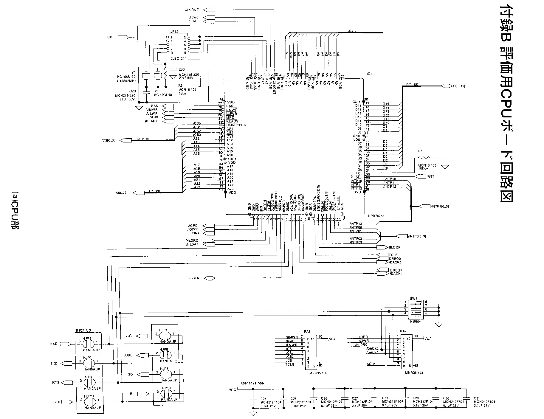
| CPU | μPD70741(100ピン TQFP) | |
|---|---|---|
| バス幅 | 16ビット固定 | |
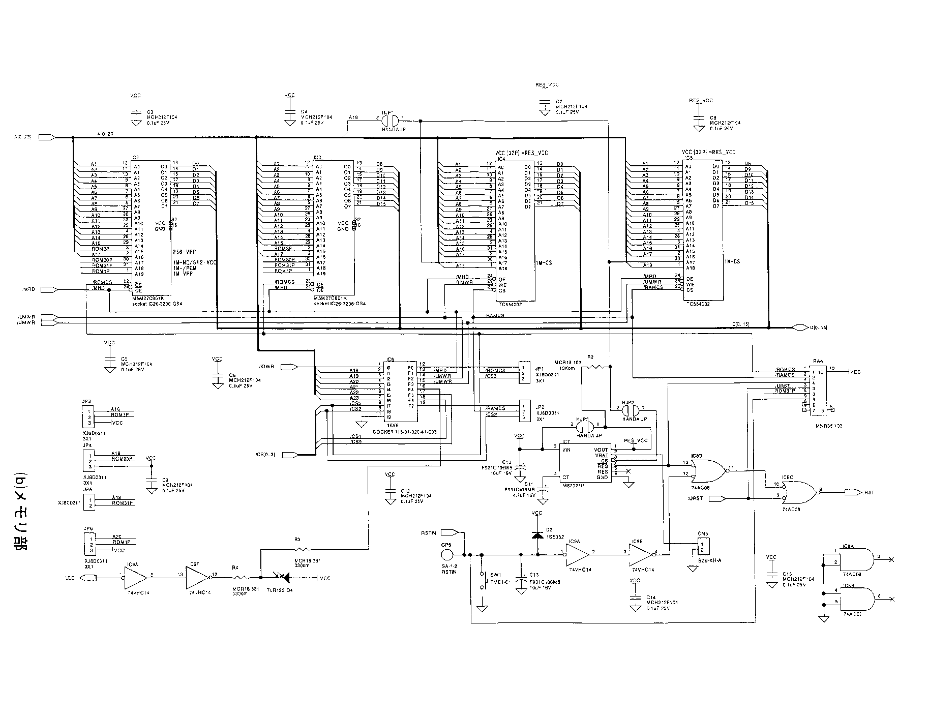
| 内容 | ROM | 27256x1 FFFF0000H〜FFFFFFFFH (64Kバイト) |
| RAM | M5M51008AFP-70LL(相当品)x2(256Kバイト) 80000000〜8003FFFFH (64Kバイト) | |
| クロック | 5MHz(XTAL)/25MHz(CPU) | |
| 基盤サイズ | 147.32 x 106.68mm | |
| 電源 | +5V 外部電源を CN4 より供給(消費電力 約 250mA) | |

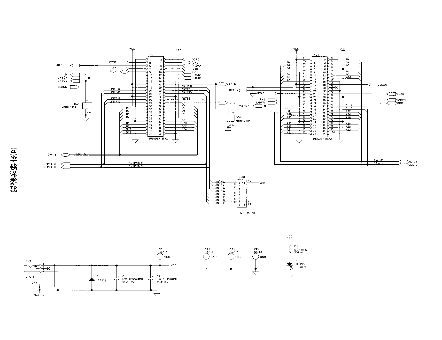
| 1 | GND | 2 | /IORD | |||
| 3 | /IOWR | 4 | JP22-1(USER-NMI) | |||
| 5 | /HLDRQ | 6 | /HLDAK | |||
| 7 | RxD or P.09 or /TC | 8 | TxD or P08 or UBE | |||
| 9 | SCLK or P07 | 10 | SO or P06 | |||
| 11 | SI or P05 | 12 | /DACK1 or P04 | |||
| 13 | DREQ1 or P03 | 14 | /DACK0 or P02 | |||
| 15 | DREQ0 or P4 | 16 | GND | |||
| 17 | Vdd | 18 | TCLR or P00 | |||
| 19 | BLOCK or WDTOUT | 20 | /INTP03 | |||
| 21 | INTP02 or TO01 | 22 | /INTP01 | |||
| 23 | /INTP00 or TO00 | 24 | /INTP13 or T1 | |||
| 25 | Vdd | 26 | GND | |||
| 27 | /INTP12 | 28 | /INTP11 | |||
| 29 | /INTP10 | 30 | IC3-2(USER-RESET) | |||
| 31 | Vdd | 32 | D0 | |||
| 33 | D1 | 34 | D2 | |||
| 35 | D3 | 36 | D4 | |||
| 37 | D5 | 38 | D6 | |||
| 39 | D7 | 40 | Vdd | |||
| 41 | GND | 42 | D8 | |||
| 43 | D9 | 44 | D10 | |||
| 45 | D11 | 46 | D12 | |||
| 47 | D13 | 48 | D14 | |||
| 49 | D15 | 50 | GND | |||
| 51 | Vdd | 52 | A0 | |||
| 53 | A1 | 54 | A2 | |||
| 55 | A3 | 56 | A4 | |||
| 57 | A5 | 58 | Vdd | |||
| 59 | GND | 60 | A6 | |||
| 61 | A7 | 62 | A8 | |||
| 63 | A9 | 64 | A10 | |||
| 65 | A11 | 66 | GND | |||
| 67 | Vdd | 68 | CLKOUT | |||
| 69 | Vdd | 70 | NC | |||
| 71 | JP6-1(USER-CLK) | 72 | GND | |||
| 73 | /UCAS | 74 | /LCAS | |||
| 75 | GND | 76 | Vdd | |||
| 77 | /RAS | 78 | /UMWR | |||
| 79 | /LMWR or /WE | 80 | /MRD | |||
| 81 | /READY | 82 | /CS0 or /REFRQ | |||
| 83 | /CS1 | 84 | /CS2 | |||
| 85 | /CS3 | 86 | A12 | |||
| 87 | A13 | 88 | A14 | |||
| 89 | A15 | 90 | A16 | |||
| 91 | GND | 92 | Vdd | |||
| 93 | A17 | 94 | A18 | |||
| 95 | A19 | 96 | A20 | |||
| 97 | A21 | 98 | A22 | |||
| 99 | A23 | 100 | Vdd | |||